Primeiro, um pouco de
teoria (Leia
toda a página, e veja os problemas que são
enfrentados
pelo caminho, suas soluções, etc):
A segunda versão deste forno
já está disponível, clique aqui para ver - Porém, todo o desenvolvimento está descrito nas 3 páginas a seguir.
A industria atualmente utiliza muito o aquecimento através
de
indução. Suas principais
aplicações, no
campo metalurgico são a fusão de metais e o
tratamento
térmico, afim de se obter um material com
características
mecânicas especiais que não se pode obter em
estado bruto
de fundição.
Dentre as principais vantagens podemos citar a limpeza, a menor
contaminção do material a ser fundido/tratado, o
custo do
consumo de energia (este obviamente, depende da politica
energética de cada país), etc;
As desvantagens são, principalmente o custo do equipamento,
e
também a periculosidade do equipamento, já que
este deve
ser operado por pessoa melhor qualificada, sendo que neste equipamento
é necessário conhecimento do que deve ser feito
em caso
de falta de energia por exemplo, o operador deve saber que
está
trabalhando com equipamento que manuseia altas tensões e
correntes, etc.
Você verá que é muito mais
fácil derreter um
material com resistência elétrica (baixas
temperaturas,
veja
meu forno elétrico para derreter aluminio)/gás/óleo/lenha,
do que com energia elétrica por
indução,
porém a qualidade final do metal, se torna muito superior no
equipamento elétrico e consumo de energia, também
muito
menor.
Isso tanto é verdade, que indústrias menores
possuem
fornos a óleo, ou a carvão por necessidade, e
indústrias maiores preferem fornos a
indução, a
não ser que o custo energético para o que se
pretende
seja uma desvantagem, só aí usam
grandes fornos a
combustível fóssil.
Como mencionei, o
forno
elétrico para derreter (ou fundir) aluminio, chumbo, estanho
que montei,
é muito simples e pode ser montado por pessas sem qualquer
experiência, utiliza resistência
elétrica e aquece
por
contato. Devendo apenas o usuário ter o cuidado com as altas temperaturas.
Este forno que pretendo montar aquece por
indução,
ou seja, o material é aquecido sem contato com fontes de
calor,
chamas, etc; Seu rendimento é muito superior,
porém, seu
custo também é.
Para a montagem deste, será
necessário conhecer de:
- Eletrônica básica
(associação de componentes, montagem de
placas, etc;)
- Eletrônica digital
(Geração de frequência por PWM,
análise de sinais, etc;)
- Eletrônica de potência
(retificação de alta
tensão, inversão de frequência, etc;)
- Inversores de frequência
- Circuitos Ressonantes (O assunto de dominio mais importante)
- Física (efeito joule / ponto de curie, etc;) Coisas do
2ºGrau, para ajudar no controle do forno.
É importante ler as seguintes fontes de pesquisa, pelo
menos, eu recomendo:
http://www.dansworkshop.com/electricity-and-electronics/induction-heating.htm
aqui, no dan's workshop, há
informações
sobre o funcionamento de inversores, frequências, circuitos
conceito, formas de onda, etc;
http://webpages.charter.net/dawill/tmoranwms/Elec_IndHeat1.html
aqui na pagina do Tim Williams, mostra como ele montou um forno a
indução, e as modificações
que ele fez
até o fim da montagem, um projeto muito bem elaborado.
http://www.richieburnett.co.uk/indheat.html
outra pagina de extrema importancia, do Richie, explica muito bem como
funciona o aquecimento por indução, com
animações, circuitos conceito, e
explicações sobre circuitos ressonantes.
http://www.albatherm.com.br/informativo/principios_basicos_aquecimento.asp
Aqui tem um material básico, mais informativo,
porém, é em português.
E
finalmente, a página principal em que meu projeto se baseia:
O funcionamento é essencialmente o mesmo, fiz algumas
modificações no circuito, e inclui algumas
coisas, mas
funciona da mesma maneira.
http://www.neon-john.net/Induction/heater.htm
Nesta pagina, há um projeto muito simples, por ser simples e
o
único em que consegui componentes semelhantes aqui no
Brasil,
resolvi me basear neste projeto.
Utilizei este projeto da primeira página, para
até 500W
de potência, o John já abandonou este projeto e
fez outros
mais eficazes, porém, os componentes não
estão
disponíveis por aqui, e não encontrei
equivalentes, mas
de qualquer forma, o primeiro funciona.
Vou partir deste projeto, e depois vou melhorando conforme minha
necessidade e disponibilidade, tanto de tempo como de
peças
disponíveis no Brasil.
Seguindo as dicas de outros sites, é fácil
melhorar o que está funcionando.
Para a utilização do forno (deste e qualquer
outro)
- Para que se deseja o forno (derreter? aquecer para fazer tratamento
térmico?)
- Metalurgia do material e ser fundido ou tratado (Cada metal se
comporta de uma maneira e possui suas características
próprias)
O diagrama de blocos do
forno que estou montando:

Como você pode ver no diagrama acima o forno é
composto por:
Retificador de
baixa tensão (15V x 1,5A):
este módulo é responsável
por fornecer a
baixa tensão que alimenta o gerador de frequência,
o
circuito driver dos IGBTs e o circuito de
proteção que
realiza o desarme por alta temperatura nos IGBTs, caso algum problema
ocorra.
Circuito Gerador
de frequência: este módulo gera a
frequência em que o forno irá operar
através de PWM a até 300KHz
Circuito Driver
para os IGBTs: aqui é feito o controle dos
IGBTs para oscilarem na frequência desejada.
Circuito de
controle para desarme por alta temperatura nos IGBTs:
Este circuito interrompe a alimentação do
retificador de
alta tensão, caso a temperatura nos IGBTs fique muito alta
devido a algum problema (frequência fora de
ressonância,
problema no driver IGBT, etc;) deve ser ajustado para que o
desarme ocorra antes dos IGBTs atingirem a temperatura
crítica
de funcionamento.
Retificador de
alta tensão (155Vcc x 40A):
Este circuito retifica a tensão de rede, esta é a
tensão que será entregue aos IGBTs, e
consequentemente a
bobina de indução. Apesar de em minha cidade o
fornecimento ser em 220V, optei por trabalhar em 110V até
ter
total dominio do forno. De qualquer modo, começarei
alimentando
com apenas 30V, para poder realizar todos os ajustes sem causar nenhum
dano ao circuito.
Circuito
Inversor de Frequência - para até 300KHz, com
IGBTs:
Aqui é onde a alta tensão em corrente continua
é
tranformada em alternada na frequência desejada (desejamos a
frequência em que o circuito bobina / banco de capacitores oscilem em
ressonância)
Bobina de
indução e Banco de capacitores:
Nesta bobina é onde o metal será aquecido. O
banco de
capacitores será formado pela quantidade de capacitores
necesários para que ocorra a ressonância na
frequência desejada.
Não está no diagrama de blocos, mas em paralelo
ao
circuito de ressonância, coloquei um medidor de
potência
relativa para facilitar o ajuste.
O esquema dele estará disponível nos diagramas a
seguir.
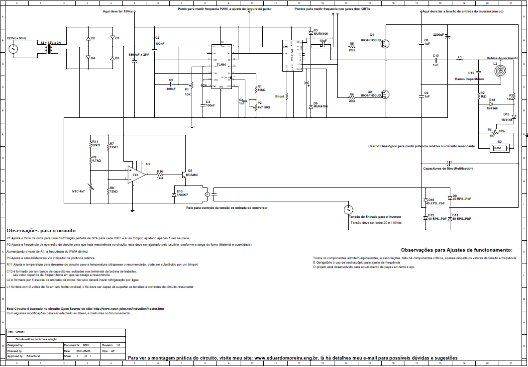
Agora, o esquema
elétrico do forno, clique na imagem para fazer o download do
esquema em .pdf:
Como se pode ver, em relação ao projeto do John,
foi
modificado muita coisa. Na verdade, a partir deste projeto ele partiu
para um caminho, e eu para outro. Mas ambos funcionam,
na verdade, tive que adaptar muita coisa ao que há
disponível no Brasil, e acabou tomando outro rumo no ponto
de
vista eletrônico.
Adicionei alguns componentes, e outros foram eliminados.
Como funciona:
O Circuito integrado TL494 é um gerador de ondas PWM, era
muito utilizado em fontes chaveadas de computador.
É um C.I. antigo, e portanto bem dominado em seus
prós e contras, além de tudo isso, também é barato.
Ele gera o sinal PWM na frequência desejada, que pode ser
controlada através da referência de
tensão no pino
6.
Quanto maior a resistência que você colocar ali,
menor será a frequência que ele irá
gerar.
Além da frequência, o sinal possui uma largura de
pulso,
que é ajustado em P1. Essa largura de pulso irá
determinar quanto tempo cada IGBT fica ligado,
neste circuito eles nunca devem ficar ligados ao mesmo tempo, ou seja,
liga o IGBT1, e desliga o IGBT2, depois liga o IGBT2 e desliga o IGBT1,
se o sinal
estiver mal distribuido, um IGBT irá aquecer mais do que o
outro, e poderá queimar. Além disso, o sinal no
circuito
de saída estará fora de fase.
Se ficarem desligados juntos, o circuito perde rendimento, pois
não estará alimentando a saída na
frequência de ressonância.
O sinal gerado pelo TL494, serve como entrada para o IRS21844, que
é um driver para IGBTs e MOSFETs, através do
sinal de
entrada ele distribui os sinais
para os IGBTs, na mesma frequência relativa a entrada,
já
com tensão e corrente suficientes para excitar o IGBT.
Utilizando um osciloscópio, ao medir o sinal na
saída do
TL 494, o mesmo sinal deve aparecer em frequência e forma de
onda, nos gates dos IGBTs.
Não vou explicar o funcionamento de todos os circuitos
ressonântes, quem quiser saber sobre outros circuitos, podem
visitar os sites que menciono acima, não vou repetir
informações que já estão
disponíveis
em outros lugares da web, senão a página ficará muito cansativa.
Vou me focar apenas neste, o circuito LCRL, este circuito possui um
capacitor na entrada, em série, que serve para evitar a
passagem
de corrente contínua através do circuito
ressonante (No
meu caso, montado por 3 capacitores de 470nF x 400V em paralelo), e uma
bobina em série que faz o casamento de impedância
do
circuito de entrada com o circuito de saída (2 voltas em uma
toroide de ferrite), e este conjunto depende da
frequência
de ressonância em que se deseja trabalhar.
Então daí se parte para o banco de capacitores, e
a
bobina de trabalho, que fará o aquecimento na
peça,
alí os capacitores armazenam e despejam a energia para a
bobina.
Tudo isso deve ser montado para a frequência desejada, ou
seja,
isso tudo que está no esquema, funciona para uma determinada
frequência, se alterarmos a frequência, todo o
circuito
ressonânte muda junto.
Além disso, a frequência de ressonância
se altera dependendo da carga.
Se nenhuma carga para ser aquecida estiver dentro da bobina, ela vai
ressonar em uma frequência, quando se adiciona a carga, essa
frequência muda, além de tudo isso, ela
não muda
sempre da mesma forma, depende se o material é de ferro, de
cobre, de aluminio, etc; e depende também da quantidade.
Não é tão simples como se imagina,
não é?
Mas também não tão complicado, na
prática fica mais simples...
O material
necessário (Vale
sempre o esquema que está disponível, nem sempre
esta
lista está atualizada com o esquema):
Para fabricação:
1 Placa
de fenolite, simples de 9 x 20
1 Caneta
para desenhar as trilhas na placa
1
Recipiente com Percloreto de Ferro Anidro, para corrosão da
placa
1
Soldador de 60W - Para soldar os fios e os componentes de
potência
1
Soldador de 25W - Para soldar os componentes
Estanho
1 Caixa para
montagem
Para montagem:
Do
circuito retificador de baixa tensão:
4 Diodos
1
Capacitor eletrolitico de 6800uF x 25V
1
Capacitor cerâmico de 100nF x 25V
Do circuito
gerador de frequência
1
TL 494
1
Soquete para o TL 494
2 Capacitores cerâmicos de 100nF x 50V
1
Capacitor cerâmico de 100nF x 50V
1
Resistor de 5k6 x 1/8W
1
Potenciômetro de 4k7
1
Trimpot de 10K
Do circuito
Driver para os IGBTs
1
IRS21844 PbF
1
Soquete para o IRS21844Pbf
2
Capacitores cerâmicos de 100nF x 50V
1
Capacitor eletrolitico de 1uF x 50V
1
Capacitor eletrolitico de 10uF x 100V
2 Diodos de ação
rápida
MUR4100ERL
8
Resistores de 47R x 1/4W
Do retificador de alta tensão
4 Diodos de potência 40EPS..PbF
1 Capacitor eletrolitico de 1000uF x 400V
Do circuito inversor de
frequência
2
IGBTs
9
Capacitores de 470nF x 400V
1
Capacitor eletrolitico 1000uF x 400V
1 bobina para o casamento de
impedâncias
(irá variar conforme a frequência, mas sua
montagem
é simples)
Do circuito de trabalho
1 bobina feita de tubo de cobre (deve
ser fabricada,
e seu tamanho depende da frequência de ressonância
desejada)
Diversos capacitores de 470nF x 400V
para o banco de
capacitores, a quantidade exata eu colocarei aqui quando o
projeto estiver
concluido, mas para trabalhar em 90KHz, estou usando 15 capacitores.
Do Circuito de controle para desarme por
alta temperatura nos IGBTs
1 741
1 Soquete
para o 741
1
Transistor BC 548
1 Resistor de 22K (Pode ser substituido
por trimpot,
para melhor ajuste da temperatura ideal)
1
Resistor de 4k7 x 1/8W
2
Resistores de 12K x 1/8W
1 Resistor de 1K x 1/8W
1 Resistor de 1k2 x 1/8W
1 Diodo 1N4148
1 Relé de 12V x 40A
Muitos componentes são de valores repetitivos e
são ligados em série/paralelo,
isso foi devido a dificuldade em conseguir o componente no valor
necessário, então utilizei de
associações.
De qualquer forma, todos os componentes admitem
associações e equivalentes sem muitos problemas,
apenas se deve lembrar de obedecer as caracteristicas do circuito
(Tensão, corrente, frequência, etc;)
É
necessário radiadores de calor nos IGBTs e Diodos de
potência.
Os desenhos da placa:
Este é o primeiro desenho da placa, na prática
houveram
algumas modificações e este desenho já
não
representa o circuito mostrado anteriormente.
Quando eu fizer outra placa, com lay-out melhorado, atualizo a
página.

O Jumper que mencionei ali, é em
relação ao TL494.
Também teve que ser colocado um Jumper, ligando o terra do
inversor ao terra do circuito de controle.
Quem for fazer a placa, esteja ciente destes pequenos problemas que
ocorreram, por esquecimento na hora de desenhar.
É conveniente fazer sua própria placa/projeto.
Veja, que no circuiot do Jonh, os terras são isolados, o mesmo ocorre no circuito conceito do data-sheet do IRS21844,
porém isso é um erro, os terras devem ser os mesmos.
Um Jumper também foi necessário, no circuito de
saida, devido ao esquecimento na hora de fazer as trilhas.
os outros foram necessários por
obrigação, não tive como percorrer
outros caminhos.
Todos os componentes admitem equivalentes.
Aqui o lado cobreado:
A foto de todos os
componentes na placa:
A placa e os blocos do
diagrama:
Agora que a placa já está pronta e entendemos a
função de cada parte que constitui este forno,
vamos
construir a bobina de trabalho,
e o banco de capacitores para atingir a ressonância na
frequência desejada.
A Bobina foi feita com tubo de cobre, para que depois eu possa
refrigerar o sistema com água, sim, ela aquecerá
bastante,
e o mesmo acontece com os capacitores do banco de capacitores (a bobina trabalhará com mais de 100A).
A bobina, com medidas de
altura e diâmetro:
Estando a bobina pronta, é necessário soldar o
banco de capacitores,
Comecei com 5 capacitores de 470nF x 400V.
A foto abaixo, mostra a bobina, com 5 capacitores. Que neste caso, faz
a ressonância a cerca de 180KHz, com um pequeno parafuso como
carga
O VU-Meter que aparece na foto é de um antigo multimetro
analógico que estava estragado. Aproveitei o VU-Meter para
fazer um indicador de potência relativa, entregue na bobina,
assim, consigo encontrar qual a frequência de
ressonância correta
para o circuito (esses multimetros custam menos de R$10,00 é mais barato que comprar o VU) .
Agora, mais um pouco de
teoria:
Obviamente, com 180KHz o circuito funcionou já de forma
adequada.
O uso de frequências mais altas, faz o aquecimento acontecer
na
parte superficial da carga que está na bobina, ou seja,
aquece
apenas a pele do material.
Com isso, o núcleo aquece por condução de calor da superficie para o centro.
Quanto menor a frequência, maior a
penetração do campo magnético.
Porém, a coisa não é tão
simples....
Para poder gerar uma ressonância em uma frequência
menor,
seriam necessários mais capacitores e portanto, encarece o
projeto.
Como meu intuito é de no futuro derreter metais ferrosos,
já aqui,
baixei a frequencia para 90KHz,
com isso, foram necessários
15
Capacitores de 470nF x 400V.
E espero, baixar mais ainda a
frequência, quando tiver acesso a mais capacitores (pelo menos 20KHz).
Para quem deseja apenas Têmpera por
indução, a
frequência mais alta é desejada, como estes 90KHz
(depende da profundidade de têmpera, etc;).
Aqui, a foto da bobina de trabalho, desligada:
O potenciômetro que se vê na foto, é
apenas para o
ajuste de escala do indicador de potência relativa, costumo
ajustar, com o circuito ligado,
para ficar no meio da escala no máximo de potência
que eu
conseguir, assim eu posso ver se estou melhorando o ajuste ou piorando
com o passar do tempo.
Então, na máxima potência, meu medidor fica
assim, sempre
que melhoro algo e passo disso, faço o ajuste para voltar
até o meio:
Assim, eu sei se estou melhorando a entrega de potência a
bobina de trabalho, ou piorando.
Aqui a foto do parafuso sendo aquecido por
indução:
Aqui a temperatura do parafuso, após cerca de 15 segundos:
Depois de 1 minuto e 30 segundos, consegui deixá-lo
vermelho, ou
seja, acima de 750C (Meu termometro infravermelho só marca
até 550C)
A foto foi no escuro, porque com a luz ligada não aparecia
tanto o vermelho.
Não aqueci acima deste ponto, porque o transformador que
alimenta o circuito ressonante aqueceu muito e achei melhor
desligá-lo até
encontrar um com maior tensão e corrente (Este era de 15+15V
x 2A).
Veja, até aqui, coloquei 30V e 2A para alimentar o circuito
ressonante.
O projeto, é para suportar tensões de
até 155Vcc
(110Vca), e pode ser facilmente modificado para trabalhar em
310Vcc (220Vca)
Só não fiz isso, porque não tinha
capacitores com
tensão tão alta para retificar a alta
tensão, os semicondutores envolvidos suportam até
600V.
então a maior dificuldade está "apenas" nos
capacitores.
Agora, vou aumentar a tensão no circuito ressonante,
devagar, ajustando o circuito para que não haja
aquecimento excessivo até chegar
ao ponto que julgar o correto para o que pretendo.
Aqui está a foto de todo o circuito em minha bancada:

No canto superior esquerdo, há uma bobina, mas que ficou
muito grande (pelo menos por enquanto)
A bobina e o parafuso de carga está em cima de um
pedaço
de tijolo refratário, pois a bancada quase pegou fogo, com o
parafuso direto em cima
da bancada de madeira.
Os 2 potenciômetros ligados a placa de controle, servem, um
para
ajuste de frequência, e outro para a largura do pulso, este
deve
ser ajustado para
uma forma de onda em perfeitos 50% para caga IGBT. (este
último
foi substituído por um tripot, que fica na placa, em
26/06/2011)
Os dois transformadores que podem ser vistos, são, um para
alimentar o circuito de controle, e outro, para alimentar o circuito
ressonante (inversor).
A forma de onda na saida do gerador PWM ficou assim:
DIA 26/06/2011:
Hoje fiz modificações básicas no
circuito. Apenas melhoramentos.
Veja como ficou a placa, no lado cobreado:
E aqui, como ficou a placa, no lado dos componentes:
Veja na foto acima, que nos IGBTs, eu coloquei um radiador de calor
grande, refrigerado por um cooler. Tirei isto de um aparelho de
DVD sucateado que tinha aqui em casa.
Nos diodos retificadores de alta corrente, coloquei os radiadores que
haviam nos IGBTs, são radiadores de antigas fontes chaveadas
de
PC.
Obviamente, o circuito não esquenta ainda a tal ponto. Mas
sei
que no futuro será importante (pretendo aumentar em pelo
menos
10x a potência atual).
Os radiadores estão presos com parafusos, isolados, e com
pasta
térmica para melhorar a dissipação de
calor.
Os fios trançados que se vê indo até o
radiador,
são do NTC que ao esquentar, desarmará o circuito
de alta
tensão, através de um relé.
O ponto de desarme está fixo em aprox. 50 Graus Celsius, ou
seja, assim
que o radiador chegar a esta temperatura, o circuito desarma.
É
claro que os IGBTs suportam uma temperatura maior, mas trabalharei
neste patamar até onde for possível.
A Seguir, fotos das medidas com que a Placa + Radiadores
estão
ficando, depois de tudo pronto, as medidas servirão para
dimensionar a caixa de montagem.
Na foto acima, é possível observar que
também
retirei o potenciometro que fazia o ajuste da largura de pulso.
Substitui por um trimpot, de 4k7, já que este ajuste
não
deve ser mais alterado (é ajustado com ajuda de um
osciloscópio),
portanto, ficará fixo na placa.
O ajuste de frequência, ainda fica no
potenciômetro,
já que esta depende da carga e ressonância do
conjunto,
então será ajustado
pelo usuário, com a ajuda do medidor de intensidade relativa.
Eventualmente, quando o circuito for para uma caixa de
instalação, colocarei algumas chaves com
diferentes
faixas de frequência.
Mas é idéia apenas para o futuro.
Eu não havia colocado antes, mas vai agora a foto da forma
de onda no circuito ressonante
(Osciloscópio ligado diretamente ao banco de capacitores +
bobina):
Observe, uma forma de onda senoidal perfeita a 86,33kHz.
DIA 27/06/2011:
Hoje, coloquei todo o circuito de controle parafusado em uma chapa de
acrilico. Todo o circuito fica cerca de 1 cm acima da placa.
O transformador que alimenta o circuito também fica preso a
esta
chapa, e os próximos circuitos que colocarei
também
deveram ficar
fixados nesta placa, assim fica mais organizado e fácil de
mexer.
Segue a foto:
Como pode ser visto na figura acima, precisei trocar o
núcleo toroidal por um maior.
Ao colocar 60Vca na entrada, o núcleo anterior aquecia muito
e
derreteu os fios, este, peguei de um home teather sucateado.
É bem maior, como pode ser visto na foto a seguir.
Está com 2 voltas, mas ainda quero diminuir para 1, para ver
se o resultado é melhor.
Ainda assim, este núcleo aquece muito e vai precisar de
refrigeração.
Bom, agora ao que mais interessa a todos,
o parafuso avermelhando, há uma sequência de 3
fotos, que
foram tiradas em um espaço de tempo menor que 1 minuto.
O parafuso também possui uma massa maior do que o dos
primeiros testes.
Vejam as fotos, desta vez não precisei apagar a luz para o
avermelhamento ser perceptível.
Isto tudo com apenas 60Vca na entrada do inversor.
Os problemas que estão ocorrendo são relativos
apenas aos
capacitores do banco de capacitores, que aquecem relamente muito.
Os capacitores de casamento de impedância, que
está em
série com a bobina de núcleo toroidal
também
estão aquecendo.
Além da bobina toroidal também estar aquecendo.
Provavelmente terei que mudar o posicionamento destes componentes para
poder refrigerá-los, e nos tubos de cobre da bobina de
trabalho
já é necessário uma
refrigeração com água.
As próximas atualizações devem demorar
um pouco
agora, já que faço isto apenas nas horas de
folga, e
agora vou precisar pensar em como
refrigerar e conseguir os itens necessários para as
próximas modificações.
DIA 30/06/2011:
Vou continuar a atualizar a página conforme o progresso do
projeto.
Caso necessite de informações, favor me enviar um e-mail:
eduardo@eduardomoreira.eng.br
Caso você monte este projeto com melhores
soluções, por favor, me envie para que possamos
evoluir.
DIA 05/07/2011:
Ainda estou trabalhando no circuito antigo, o novo circuito está projetado, e será montado apenas depois que
esta primeira versão estiver 100% funcional e todos os erros corrigidos.
Hoje, retirei 1 espira do núcleo de ferrite toroidal...
a retirada desta espira causou uma forma de onde triangular na bobina de saída.
Isto quer dizer problema!!
Ocorreu superaquecimento no circuito ressonânte e filtros, voltei com a quantidade anterior de espiras.
Isto será alterado cada vez que a frequência for alterada,
se não for monitorado a cada mudança de frequência,
o circuito irá queimar.
Cada vez que queimo um IGBT, o driver queima junto (Já foram 2),
isto porque neste protótipo não há
isolação entre eles.
Aumentei o banco de capacitores, agora, com 20 capacitores (470nF x 400V), estou trabalhando na frequência de 68,77 Khz.
Estou adicionando mais cerca de 30 capacitores (470nF x 400V), e baixarei ainda mais a frequência de ressonância.
Em paralelo a isto, estou terminando o circuito de água para arrefecimento dos capacitores e bobina de trabalho.
Também estou melhorando a filtragem da corrente CC do circuito inversor, para estabilizar melhor a forma de onda.
Quando estiver mais "apresentável" postarei as fotos.
Agora, o dia de hoje (10/07/2011) merece uma
página especial, devido ao grande número de fotos,
informações e desenvolvimento.
DIA 10/07/2011: CLIQUE AQUI PARA AS NOVAS FOTOS, AGORA LIGADO EM 110Vca
Com links dos videos feitos hoje!!!
Assim que tudo estiver funcionando na versão definitiva,
publicarei uma página apenas com a versão definitiva,
com todos os erros corrigidos e na ordem em que tudo foi montado para facilitar o entendimento de todo o processo.
O link estará nesta página, e na página principal do site
www.eduardomoreira.eng.br , não deixem de continuar visitando.